
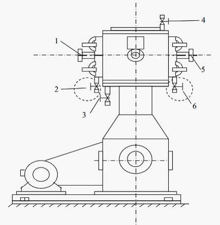
1—進氣口;2—冷凝水排出口;3—冷卻水進口;4—冷卻水出口;
5—排氣口;6—冷凝水排出口
圖1 無油立式往復泵加裝冷凝水排出閥位置圖
具體改造過程為:
(1)解體、拆下缸頭。
(2)缸頭翻轉固定在搖臂鉆床(型號Z3050X16)工作臺面上。
(3)在進氣腔、排氣腔底部中心位置上距氣腔外邊沿30mm處打上樣沖眼。
(4)先拿手槍鉆用Φ6mm的鉆頭鉆引孔,然后在搖臂鉆床上用Φ17.3mm的鉆頭分別打孔(轉速控制在180~220r/min、進刀量在0.18~0.22mm/min),完成小17.3mmx20mm的通孔。
(5)用M20x2.5絲錐的頭攻和二攻分別攻絲,保持絲錐與孔平面的垂直,按右旋1/3圈、左旋1/2圈的方法用力均勻進行攻絲并清除毛刺,重新組裝真空泵。
(6)用車床加工相同兩節100mm長的1/2“厚壁鋼管,外徑21.2mm壁厚3.25mm雙絲頭,一頭是M20x2.5的標準螺紋絲,螺紋絲長20mm;一頭是1/2"管螺紋絲,絲頭長25mm;再加工相同兩節50mm長的管螺紋單絲頭,并纏上生料帶。
(7)將標準螺紋絲的一頭纏上生料帶,保證真空的密封,分別安裝在新加工的缸體內絲口上。安裝過程控制絲頭不能高于氣腔內平面,這樣有利于腔內積液的及時排除。
(8)在管螺紋絲一頭分別加安DN15的球閥;備好的單絲頭安裝在球閥的下端,并將其連接在排水口上。
具體使用操作過程稍有變化,即真空泵啟動前,新加兩球閥均應打開,檢查球閥,如有液體及時排出。真空泵啟動正常后,應關閉吸氣腔下的球閥,排氣腔下的球閥常開。
經過以上改造,凝液可以及時排出,頻發的液擊故障得到了徹底地排除,潤滑油乳化的現象得到極大的改善!
閱讀本文的人還在閱讀:無油立式往復泵液擊故障頻發的原因
|